電磁離合器當前位置:首頁 > 電磁離合器
商品介紹
TJ天機牌系列DC24V伏直流干式多片電磁離合器結構合理,可采用在快速動作下的場合,適用于高頻動作的機械傳動系統,可在主動部分運轉的情況下,使從動部分與主動部分結合或分離。TJ天機干式多片電磁離合器,型號齊全,安裝簡易,散熱性良好,使用壽命長,14年臺灣品牌制造經驗。產品按照國際制造標準參數生產,適合在印刷機械、紙工機械、制袋機械、造紙機械、電線電纜機械、卷線機械、線材機械、捆包包袋機械、紡織機械、織維機械、木工機械、試驗設備、模擬負荷用、各種機械的精密性張力控制用、一般工業用裝置、其他一般產業機械使用。
干式多片電磁離合器主要功能特性: 1.連接與切離動作,2. 變速, 3. 正反轉, 4. 高頻運轉, 5. 寸動。
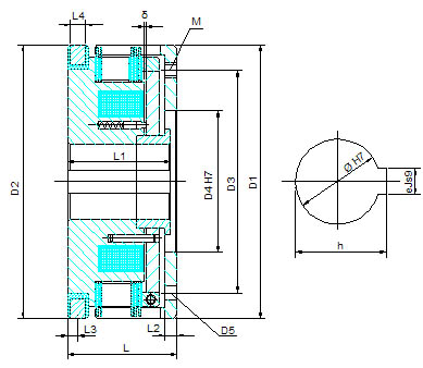
TJ干式多片電磁離合器型號參數和圖解如下:

相較于干式雙離合器通過離合器從動盤上的摩擦片來傳遞扭矩,濕式雙離合器的扭矩傳遞是通過浸沒在油中的濕式離合器摩擦片來實現的。由于節省了相關液力系統以及干式多片電磁離合器本身所具有的傳遞扭矩的高效性,干式系統很大程度地提高了燃油經濟性。

相關產品
干式電磁離合器DC24,干式...產品簡介: 廠家【天機傳動】干式電磁離合...
24v小型承軸電磁離合器TJ-...產品簡介: 【天機傳動廠家】TJ-C-A 24v小...
微小型電磁離合器,電磁離...產品簡介: 微型電磁離合器又名小型電磁離...
雙電磁離合器單剎車組合體...產品簡介: 【天機傳動】該型TJ-POG雙電磁...
客戶證見

俄羅斯用戶
They are our customer for air shaft.air chuck for more than 1 year from Russia.They site visited our factory and gave a high evaluation.We have a real factory,more than 10 equipment for production.

斯里蘭卡用戶
Thanks for Mr. Kck from Sri Lanka coming for our tension controller and tension senors. We are manufacturer,specializing in tension controller and tension senior for magnetic powder clutch.Our engineer tried

德國用戶
The picture shows our Germany customer and sales department team.They visit our factory to find a magnetic powder brake for their

韓國用戶
n order to explore the development of new micro electromagnetic clutch brake,our Korea customers came to visit our factory and communicate with our engineer about the drawing of mini electromagnetic brake clutch.

意大利用戶
Mr.Luca form Italy,who contact with us through B2B alibaba in October 2013. Through several month\'s discussion.The final program was done,we have a nice talking about the project,one set of unwinding

俄羅斯用戶
Они Россия клиентов с нашим менеджером по продажам Owen.She пришел посетить наш семинар для воздуха shafts.Thank вы очень много для вашей поддержки на наших продуктах и ??профессиональной команды, чтобы помочь you.welcome на наш завод снова.

印度客戶
首先非常感謝天機傳動公司的接待,很高興與能這樣專業生廠家合作。磁粉離合器、制動器等系列產品精度好,經過測試,符合我們公司的設備應用,天機傳動公司的服務很棒,合作愉快!

日本客戶
まず感謝天機伝動會社の受付、とてもうれしいとこうして専門生メーカーの協力。パウダクラッチ、ブレーキなどシリーズ製品の精度がいい、テストを経るに沿って、私たちの會社の設備に応用して、天機伝動會社のサービスが上手で、協力で楽しい!

Client's Visting
The client from Pakistan signed long-term cooperation business relationship with us. He said: the appearance and quality of magnetic powder clutch and brake which Tian Ji Transmission provided can be compared with Japanese manufacturers, completely let me rest assured supply for my clients.
產品評論
| 產品名稱: | 評論內容: | |
| 姓名: | ||
| 電話: | ||
| E_mail: | ||
| 驗證碼: | ||
- 2015-03-01 19:09:00姓名:邱生 - 干式電磁離合器帶鋁導座
- 微型電磁離合器規格,價格
- 2013-10-21 21:10:49姓名:陽先生 - 電磁離合剎車減速機附雙皮帶輪















